2015年黑龙江省龙东地区中考物理试题(WORD版,含答案)
2015年黑龙江省龙东地区中考物理试题(WORD版,含答案)
黑龙江省龙东地区2015年初中毕业学业统一考试
物 理 试 题
|
本考场试卷序号 (由监考填写) |
|
考生注意:
1.考试时间90分钟,全卷共六道大题,总分100分.
2.C=4.2×103J/(kg·℃) g=10N/kg.
|
题号 |
一 |
二 |
三 |
四 |
五 |
六 |
总分 |
核分人 |
|
得分 |
|
|
|
|
|
|
|
|
|
得分 |
评卷人 |
|
|
|
一、单项选择题(每小题2分,共24分)
1.下列说法与实际最相符的是 ( )
A.一个鸡蛋的质量大约是5g B.人正常体温约为37℃
C.教室房间的高度为4dm D.人步行的速度约为5m/s
2.下列有关声现象的说法中,正确的是 ( )
A.声源的振动频率越高,发出声音的响度就越大
B.声音在真空中的传播速度是3×108m/s
C.主要交通道路上设置的噪声强度显示仪不可以消除噪声
D.次声波的频率大于20赫兹
3.下列现象,由于光的直线传播形成的是 ( )
4. “林都”伊春,一年四季风景如画,下列现象的成因不属于物态变化的是( )
A.春天冰雪消融 B.夏天的早晨,河面飘荡着的白雾
C.秋天果香扑鼻 D.冬天,飘落的雪花
5.下列四幅图中能说明电动机原理的是 ( )
6.简单机械在我们的生活中应用很广泛,下图是使用简单机械匀速提升同一物体的四种方式(不计机械重和摩擦),其中不省力的是 ( )
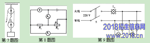
7.如图所示,工人用250N的力将重400N的物体匀速提升2m,共用了10秒,若在此过程中(忽略绳重和摩擦),下列说法正确的是 ( )
A.绳子自由端移动的距离是6m B.动滑轮的重是10N
C.工人做功的功率是80W D.滑轮组的机械效率是80%
8.如图所示,当滑动变阻器滑片P向右移动时,下列判断正确的是 ( )
A.电压表的示数不变,电流表A1的示数变大,A2的示数变小
B.电压表的示数不变, 电流表A1的示数不变,A2 的示数变大
C.电压表的示数与A1的示数的比值变大,A2 的示数变小
D.电压表的示数与A1的示数的比值不变,A2 的示数变小
9.如图是新安装的照明电路,已知两个灯泡并联,灯泡的灯头接线存在一处故障,小刚学电工的检修方法,在保险丝处接入一个“220V 40W”的灯泡,当只闭合S、S1时,L0和 L1都呈暗红色;当只闭合S、S2时,L0正常发光,L2不发光,由此可以确定 ( )A.L1灯头断路 B.L2灯头短路 C.L1灯头短路 D.L2灯头断路
10.小健学习电学知识后,认识到安全用电很重要,下图符合安全用电原则的是 ( )
A.甲图:人靠近高压带电体 B.乙图:电视机天线与电线接触
C.丙图:电动机外壳没有接地 D.丁图:电水壶用三角插头
11.下列说法正确的是 ( )
A.物体受平衡力的作用一定处于静止状态 B.力是改变物体运动状态的原因
C.惯性的大小与速度有关 D.同种电荷相吸引,异种电荷相排斥
12.如图的实验现象所揭示的物理原理或规律所对应的技术应用不正确的是 ( )
|
得分 |
评卷人 |
|
|
|
二、双项选择题(每小题3分,共9分。选项不全但正确得1分,有错误选项不得分)
13.下列说法不正确的是 ( )
A.光在投影幕布上发生的是镜面反射
B.景物在人眼视网膜上所成的像是倒立缩小的实像
C.太阳能是可再生能源
D.总重1000N的人和自行车在水平的路面上行驶100米,重力做功为104J
14.500ml的酒精用去一半后,关于剩下的酒精,下列的说法正确的是 ( )
A.质量和密度都是原来的一半,比热容和热值不变
B.质量和内能是原来的一半,密度和比热容不变
C.质量和热量是原来的一半,密度不变
D.比热容和温度不变,内能是原来的一半
15.如图为冬冬实验时所用电路,电路中电流表的量程为0~~0.6A,电压表的量程为0~ 3V, 滑动变阻器的最大值为50Ω,定值电阻R0为10Ω,电源电压为6V且保持不变,实验 时操作正确并保证电路各元件安全,则在闭合开关后,移动滑片P的过程中 ( )
A.电流表最小示数是0.3 A
B.滑动变阻器允许接入的最大电阻是10Ω
C.电路消耗的最小功率是1.5W
D.R0消耗的最大功率是3.8W
|
得分 |
评卷人 |
|
|
|
三、填空题(每小题2分,共24分)
16.导体的电阻是导体的一种性质,它的大小由材料、 、 决定的。
17.人造地球卫星广泛应用于通信、气象、国防等领域,当卫星从近地点向远地点运动的过程中, 能转化为 能。
18.小光同学在操场上练习爬杆,当他从竿的顶端滑下时,感到竿烫手,说明竿的内能
(“增大”、“不变”或“减少”),这是通过 的方法使竿的内能改变的。
19. 2015年是世界反法西斯战争胜利70周年,鸡西市虎头要塞是第二次世界大战终结地,其纪念碑的底座比较宽大,目的是为了 。要塞监控系统的摄像头是利用凸透镜成像规律中的 (填“照相机”或“投影仪”)的原理。
20.2015年6月1日,“东方之星”游轮受龙卷风的影响而倾覆,这是因为龙卷风的中心空气流速大,压强 。事故地点水深15米,此处江底受到水的压强是 Pa。
21.骑自行车远足,因其节能、环保、时尚,已经深受同学们喜爱,如图所示是自行车的一部分结构图,用力刹车时是采用 的方法增大摩擦力;刹车后自行车不能立即停下来,是由于自行车具有 。
22.如图所示的杠杆(自重和摩擦不计),O为支点,A处挂一重为100N的物体,为保证杠杆在水平方向平衡,在中点B处沿 (填F或F1或F2)方向施加一个最小的力为 N。
23.如图,是小谢同学探究“电流通过导体时产生的热量与 的关系”的实验装置,此实验采用的探究方法有 。(答出一种即可)
24.小梅学完电能表的使用后,想利用电能表测量电饭煲的电功率,观察自家的电能表如图所示,该电能表允许接入用电器的最大电功率是 W;将家里其他用电器断开,只将该电饭煲接入电路中,观察到电能表的指示灯6分钟闪烁了320次,则他家电饭煲的功率是 W。
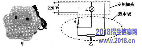
25.如图是某电热水壶加热和保温电路原理图,R1=44Ω,R2=440Ω,当开关S1断开、S2闭合,电热水壶处于 状态;该电热水壶的加热功率是 W。
26.如图所示,甲容器中装有适量的水,容器对水平桌面的压强是P1,水对容器底的压强是P3;将甲图倒放时如乙图(图中没有画出水的位置),容器对水平桌面的压强是P2,水对容器底的压强是P4。则P1 P2;P3 P4。(填“﹥”或“﹦”或“﹤”)
27.甲、乙两灯的额定电压均为9V,测得两灯电流与电压变化的关系图像如图所示,当把两灯并联在4V电源上时,甲的电阻是 Ω;电路消耗的总功率为 W。
|
得分 |
评卷人 |
|
|
|
四、作图,探究与实验(28题5分,29题7分,30题8分,共20分)
28.图甲为探究“水沸腾时温度变化特点”的实验装置。当水温上升到90℃时,每隔1分
钟记录一次温度计的示数,直到水沸腾5分钟后,停止记录。
(1)图甲中温度计的示数为 ℃。
(2)图乙是根据实验数据做出的水的温度随时间变化的图像,由图像可知,在当时的条件下,水的沸点是 ℃,你认为造成此结果的原因可能是 ___________________。(回答出一条即可)
(3)由乙图可知水的沸腾过程中特点是 。
(4)在实验过程中,如果加热时间过长的原因可能是 。(回答出一条即可)
29.小强为了“探究浮力的大小跟排开的液体所受重力的关系”,做了如下的实验:(弹簧测力计每小格示数为0.5N)
(1)请在A图中画出被测物体所受力的示意图。
(2)你认为更为合理的实验顺序是 。
(3)通过实验你得到的结论是:浸在液体中的物体,所受浮力的大小等于
__________________。
(4)请你根据小强在实验中获得的数据,计算物体的体积是 m3 ;你认为通过本实验获得的数据 (填“能”或“不能”)计算出此物体的密度。
(5)请你指出实验中的注意事项。(说出一条即可) 。
30. 小航和小组的同学完成了下面的实验:
(1)如图甲所示:
(a)在探究“电流与电压关系”的实验中,滑动变阻器除保护电路外,还有
________________________的作用。
(b)在探究“电流和电阻的关系”的实验中,定值电阻R1由5Ω换成10Ω时,接下来滑动变阻器的滑片应向 (选填“左”或“右”)调节;若电源电压为6V,R1的可选最大电阻为20Ω,为保证电阻R1两端的电压为2V,那么滑动变阻器R2阻值应不小于 Ω。
(2)他做完实验后,把定值电阻换成小灯泡,又完成了“测量额定电压是2.5V小灯泡电功率”的实验,如图乙所示,他要连接电路时,发现电流表的指针偏向左侧无刻度处,原因可能是 。解除故障后,正确连接电路,闭合开关,他发现小灯泡过亮,为了完成实验,接下来他的操作是,立即断开开关,把
____________;再闭合开关,改变滑动变阻器的阻值,记下各组对应的电压表和电流表的示数,并绘制了如图丙所示图像,根据图像可知小灯泡的额定电流是 ;额定功率是 W;灯丝的电阻是 的(填“变化”或“不变”)。
|
得分 |
评卷人 |
|
|
|
五、分析与交流(每小题4分,共8分)
31.在紧张的考试中,让我们在回忆儿时的歌声中走近物理,你还记得“让我们荡起双桨,小船儿推开波浪,水面倒映着美丽的白塔,四周环绕着绿树红墙,小船儿轻轻飘荡在水中,迎面吹来凉爽的风。”这首歌吗?歌词中包含了很多物理知识,仿照示例,请你写出两条。
|
歌 词 |
物 理 知 识 |
|
小船推开波浪 |
力可以改变物体的运动状态 |
|
|
|
|
|
|
32.如图甲、乙、丙所示的图片中,请仔细观察,图 是自制气压计, 图 是自制温度计。请任意选择其中的两幅图说明原理。
|
得分 |
评卷人 |
|
|
|
六、综合与应用题(33题7分,34题8分,共15分)
33.洒水车在晨曦中辛勤的工作,已知汽车自重2.5吨,满载时装水10吨,共有10个轮胎,每个轮胎与地面的接触面积为0.05 m2,
(1)求汽车与水共重多少牛顿?
(2)洒水车在2分钟内沿平直街道匀速行驶600米,求洒水车的速度是多少米/秒?
(3)求装满水时,汽车对地面的压强是多少帕斯卡?
34.如图甲所示是一种常见的电热水袋,图乙是它的结构示意图,其性能指标如下表所示。请完成下列各题:
|
额定电压 |
额定加热功率 |
指示灯功率 |
袋内充水 |
自动断电温度 |
|
220V |
500W |
≤0.2W |
1L |
65℃ |
(1)请你计算电热水袋中充水的质量。
(2)给它通电,当达到断电温度时,水共吸收了2.1×105J的热量,袋内水的初温是多少?
(3)电热水袋此次在额定电压下通电10分钟指示灯熄灭,则电热水袋的发热效率是多少?
黑龙江省龙东地区2015年初中毕业学业统一考试
物理试题参考答案及评分标准
一、 单项选择题(每小题2分,共24分)
|
题号 |
1 |
2 |
3 |
4 |
5 |
6 |
7 |
8 |
9 |
10 |
11 |
12 |
|
答案 |
B |
C |
A |
C |
D |
C |
D |
D |
B |
D |
B |
B |
二、 双项选择题(每小题3分,共9分)
|
题号 |
13 |
14 |
15 |
|
答案 |
AD |
BD |
AB |
三、 填空题(每小题2分,共24分)
16. 长度 横截面积
17. 动 重力势
18. 增大 做功
19. 增大受力面积减小压强(或减小压强) 照相机
20. 小 1.5×105
21. 增大压力 惯性
22. F2 200
23. 电阻 控制变量法 (转换法)
24. 2200 1000
25. 保温 1100
26. ﹥ ﹥
27. 8 3.2
四、 作图,探究与实验(28题5分,29题7分,30题8分,共20分)
28. (1) 96
(2) 98 当时气压低于一个标准大气压或温度计不准确。(合理即可)
(3) 吸收热量温度不变
(4) 水太多 水的初温太低 没有加盖等。(合理即可)
29. (1)如图(2分)
(2)DABC或ADBC
(3)物体排开液体所受到的重力
(4)10-4 能
(5)物体要缓慢浸入水中 弹簧测力计要尽量竖直、弹簧测力计要调零等合理即可
30. (1)(a)改变定值电阻两端电压 (b) 右 40
(2) 电流表没有调零 (或电流表已经损坏) 滑动变阻器阻值调到最大值(滑片P移到最左端或滑片P移到A端) 0.25A 0.625 变化
五、分析与交流(每小题4分,共8分)
31.每空1分
|
歌 词 |
物 理 知 识 |
|
让我们荡起双桨 |
力的作用是相互的 |
|
水面倒映着美丽的白塔 |
光的反射 |
|
小船儿轻轻飘荡在水中 |
浮力 |
|
凉爽的风 |
汽化吸热 |
|
迎面吹来凉爽的风 |
参照物 |
(答案合理即可)
32. 乙 (1分) 甲 (1分)
甲图原理:液体的热胀冷缩
乙图原理:细管内的液柱高度随瓶外大气压的变化而变化(利用瓶内外气压差的变化)。
丙图原理:力可以改变物体的形状
(答案合理即可)每答出一个原理1分,共2分
六、综合与应用题(33题7分,34题8分,共15分)
解答题要有必要的文字说明,同题答案计算数值错误不重复扣分,其他正确答案合理应得分。
33.解:(1) m=m1+m2=10t+2.5t=1.25×104kg…………………………… (1分)
G=mg …………………………………………………… (1分)
=1.25×104kg×10N/kg=1.25×105 N…………………………… (1分)
更多2015年中考试题及答案查询请点击:http://www.zspx.cn/news-id-8538.html (全国各地2015中考试题及答案下载汇总)

