2015年福建省泉州市中考物理试题(word版,含答案)
2015年福建省泉州市中考物理试题(word版,含答案)
2015年福建省泉州市初中毕业、升学考试
物 理 试 题
(满分:100分 考试时间:90分钟)
本试题g取10N/kg
一、选择题(本大题
共20小题,每小题2分,共40分。每小题只有一个选项是正确的,
错选、多选或不选得0分。)
1. 下列的估测中,最接近生活实际的是
A. 一节物理课的时间约为40s
B. 成年人正常步行的速度约为6m/s
C. 一根新铅笔的长约为17cm
D. 一份中考物理试卷的质量约为100g
2. 国产歼-15舰载机从航空母舰“辽宁号”上起飞,如图1所示,若说该飞机上的飞行员是静止的,所选的参照物是
A. 航空母舰 B. 该飞行员驾驶的飞机
C. 海岸
D. 航空母舰上的工
作人员
3. 下列物品中,通常情况下属于导体的是
A. 铜钥匙 B. 橡皮擦 C. 陶瓷杯 D. 木筷子
4. 下列防治噪声的事例中,属于从产生环节进行
防治的是
A. 临街房子的窗户装上双层玻璃
B. 学校附近禁止汽车鸣笛
C. 城市高架桥道路两旁建隔音墙
D. 在高噪声环境下工作的人带有耳罩
5. 如图2所示的四种现象中,属于光的直线传播的是
6. 下列情景中,符合安全用电常识的是
A. 开关要接在火线上
B. 维修家庭电路时没有断开总开关
C. 雷雨天气在树底下避雨
D. 保险丝熔断后,可以用铁线替代
7. 2015年5月俄罗斯举行卫国战争胜利70周年的阅兵仪式,中央电视台进行了及时报道。图3是中国三军仪仗队参加阅兵通过红场时的图片,现场记者将该图片传送到电视台时所用的载体是
A. 超声波 B. 电磁波 C. 红外线 D. 紫外线
8. 如图4所示的机械或工具在使用中,属于省距离杠杆的是
9. 下列设计目的是减小摩擦的是
A. 乒乓球拍上粘贴橡胶 B. 矿泉水瓶盖上刻有花纹
C. 圆珠笔的笔尖装有小滚珠 D. 黑板檫使用粗糙纤维做擦面
10. 装有一定量的水的细玻璃管斜放在水平桌面上,如图5所示,则此时水对玻璃管底部的压强为
A. 8×102 pa B. 1×103 pa
C. 8×104 pa D. 1×105 pa
11. 你在用钢笔答题过程中,笔中墨水的物理量不变的是
A. 体积 B. 质量
C. 密度 D. 重力
12. 如图6所示的四种物态变化实例中,属于凝华的是
13. 下列事例中,通过做功的途径改变物体内能的是
A. 把饮料放入冰箱,饮料温度会降低
B. 把酒精涂在手上,手会感觉到冰凉
C. 在太阳光的照射下,路面温度升高
D. 给自行车打气,打气筒壁会发热
14. 如图7是某人眼睛看物体时的成像示意图。则他的眼睛类型及矫正需要选用的透镜分别是
A. 近视眼 凸透镜 B. 近视眼 凹透镜
C. 远视眼 凸透镜 D. 远视眼 凹透镜
15. 把一个轻质的小球靠近用丝绸摩擦过的玻璃棒时
,它们相互排斥,则这个小球
A.一定不带电 B. 一定带负电
C. 一定带正电 D. 可能不带电
16. 如图8所示,用甲、乙两种装置匀速提升同一重物,若每个滑轮重相同,不计摩擦及绳重。则下列说法正确的是
A. 甲较省力,机械效率较低
B. 乙较省力,机械效率较低
C. 甲较省力,机械效率较高
D. 乙较省力,机械效率较高
.
17. 足球在水平草地上滚动,下列叙述的两个力中,属于一对平衡力的是
A. 球受到的重力和球受到的摩擦力
B. 球受到的重力和球对草地的压力
C. 球受到的重力和草地对球的支持力
D. 球对草地的压力和草地对球的支持力
18. 小黄的房间门口装有开关S1,床头装有开关S2,这两个开关都能单独控制房间的吊灯,图9中的电路图能符合这一要求的是
19. 如图
10所示的电路中,电源电压不变,R为滑动变阻器。闭合开关S后,在滑片P向右移动过程中,
A. 电流表A1的示数变小,灯泡变暗
B. 电流表A的示数变小,电压表V的示数变大[来源:学#科#网Z#X#X#K]
C. 电压表V的示数不变,电路的总功率变大
D. 电压表V的示数不变,灯泡的亮
度不变
20. 如图11所示的电路中,电源电压保持不变。当开关S闭合,S1断开,甲、乙两表为电流表时,R1和R2消耗的功率P1:P2=2:3;当开关S和S1都闭合,甲、乙两表为电压表时,两电压表示数为V甲:V乙和R1、R2消耗的功率P1′:P2′分别为
A. 5:2 3:2
B. 2:3 4:9
C. 5:2 2:3 D. 2:3 9:4
二、填空、作图题(本大题共5小题,每空1分,第25小题2分,共10分。)
21. 泉州人有元宵节吃汤圆的习俗,当将生汤圆放进装有水的锅中时,由于浮力 重力,汤圆就会沉入锅底;煮一会儿房间就会充满香味,这是分子的 现象。[来源:Zxxk.Com]
22. 小戴家新买了一台太阳能热水器,该热水器工作时,是将太阳能转化为 能;若将质量为40kg,温度为20℃的水加热到50℃,需要吸收 J的热量。
[已知 c水=4.2×103J/(kg•℃)]
23. 阻值为100Ω的电炉接在电压为220V的电路中,则通过电炉丝的电流是 A,电炉丝通电10s内产生的热量是 J。
24. 在水平地面上有一长方体木箱。小林用水平推力F把木箱向前推动,如图12甲所示。[来源:学科网ZXXK]
此过程中,推力F随时间t的变化情况如图12乙所示,木块前进的速度v的大小随时间t的变化情况如图12丙所示,则从3s至5s内,推力对木块所做的功 J,第2秒木块受到的合力为 N。
25.(1)请在图13中画出放在斜面上物体的重
力的示意图。
(2)请根据图14中的折射光线画出它所对应的入射光线。
三、简答题(本题4分。)
26. 物理规律在生产、生活中有着广泛的有益应用,有时也要避免造成危害。请依照表中的示例,再写出表中两个物理规律所对应的有益应用和避免造成的危害。
|
物理规律 |
有益应用 |
避免造成的危害 |
|
光的反射 |
利用平面镜改变光路 |
减少使用玻璃墙以免造成光污染 |
|
电流热效应 |
|
|
|
物体具有惯性 |
|
|
四、实验、探究题(本大题共5小题,共28分。)
27. (1)(2分)如图15所示,木块的长度是 cm;体温计的示数是 ℃。
(2)(3分)如图16所示,当开关闭合时,导线下方的小磁针会发生偏转,说明通电导体周围存在着 ,这是丹麦著名物理学家 发现电流的 (选填“热”、“磁”或“化学”)效应现象。
28. (5分)在做“探究水沸腾时温度变化的特点”实验中:
(1)小姜的操作如图17甲所示,其中错误之处是 。(写出一点即可)(2)他改正错误后,继续完成实验。图18是他根据实验数据描绘的温度-时间图象,通过分析图象可知,水的沸点是
℃,水在沸腾过程中的特点是温度保持 ,且需要 。
(3)小王实验时在烧杯上加盖纸片,如图17乙所示,这种做法的优点是 。
29.(6分)小江同学为了测量大豆的密度,进行了如下实验:
(1)把天平放在水平桌面上,如图19所示。使用前,他应进行的操作是:首先
,然后 ,使指针尖对准分度标尺的中央刻度线。
(2)为了测量大豆的体积,他将饮料瓶装满水,拧上盖子,放在调好的天平左盘上,天平平衡时,砝码的质量和称量标尺
上的示数如图20所示,则瓶和水的总质量为 g。
(3)把48g大豆放入装满水的瓶中,停止溢水后,拧上盖子,擦干沾在瓶上的水,用天平测出瓶、瓶内剩余水和大豆的总质量为111g。根据溢出水的质量可求出大豆的体积为________cm3。
(4)算出这种大豆的密度为 g/ cm3。
(5)由于大豆具有吸水性,用这种方法测出大豆的密度值比真实值偏 。(选填“大”或“小”)
30. (6分)小丽利用如图21所示的装置探究“平面镜成像时像与物的关系”的实验:
(1)如果有5mm厚和2mm厚的两块玻璃板,应选择 mm厚的玻璃板做实验较合适。实验中用两段相同的蜡烛是为了比较像与物 的关系。
(2)在实验过程中,小丽移动蜡烛B,使它与蜡烛A的像完全重合,确定了 的位置。为了研究平面镜所成的是实像还是虚像,小丽用光屏代替蜡烛B,她 (选填“能”或“不能”)用光屏接收到蜡烛A的像,由此说明平面镜成的像是 像。
(3)如果玻璃板没有竖直放置,如图22所示,在实验过程中
会出现的现象是 。
31. 在“测量小灯泡的电功率”实验中,小灯泡额定电压为3.8V(电阻约为10Ω),电源电压为6V。
(1)小敏连接了如图23所示的部分实物电路,请你用笔画线代替导线,将电路连接完整。
(2)若有规格分别为“5Ω 1A”、 “20Ω 0.5A”、 “50Ω 0.2A”的三个滑动变阻器供选择,为了使实验能顺利进行,应选用规格为 的滑动变阻器连入电路。
(3)小敏同学连接好电路后,闭合开关,他发现无论怎样移动滑动变阻器的滑片P,小灯泡都很暗,且两表示数不变,出现上述故障的原因可能是: 。
(4)故障排除后,再次闭合开关,移动滑动变阻器的滑片P,当电压表示数为 V时,小灯泡正常发光,此时电流表的示数为0.34A,则小灯泡的额定功率是 W。
(5)小敏通过移动滑动变阻器的滑片P,记下多组对应的电压表和电流表的示数,并绘制成如图24所示的I-U图像,通过分析图像,你能得到 (写出一条信息或规律即可)。[来源:学§科§网]
五、计算题(本大题共3小题,
每小题6分,共18分。解答时要写出依据的主要公式或
变形公式,有数据代入,答案中必须明确写出数值和单位。)
32.如图25所示的泉州湾大桥于2015年5月12日正式通车,其跨海大桥长12.45km,最高限速100km/h,若某小汽车以最高限速在此桥上匀速行驶时,受到的阻力为2000N,乘员的平均质量为60kg,小汽车的部分参数如右表,求:
(1)小汽车以最高限速匀速通过此桥的时间。
(2)小汽车满载时对水平地面的压强。
(3)小汽车匀速通过此桥的过程中,牵引力所做的功。
33. 如图26甲所示的电路中,电源电压保持不变,小灯泡L标有“6V 3W”的字样,其电阻不随温度变化,R为定值电阻。当开关S闭合时,小灯泡L正常发光,电流表的示数如图26乙所示。求:
(1)小灯泡L的电阻。
(2)电阻R的阻值。
(3)电阻R消耗的电功率。
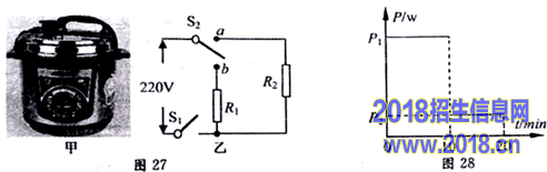
34. 如图27甲是某品牌电压力锅,图乙所示是它的简化电路图。R1、R2是定值电阻,闭合开关S1,开关S2与触点b接通,电压力锅处于加热状态,此时电压力锅的功率P1=1000W,通过R1的电流为I1;当锅内的气压达到设定值时,S2自动与触点b断开并与触电a接通,S1仍闭合,电压力锅处于保压状态,此时电压力锅的功率为P2,通过R2的电流为I2。图28是表示做好某次饭的过程中,电压力锅从加热到保压消耗的电功率与时间的关系。已知I1=5I2。求:
(1)电压力
锅处于加热状态时,通过电阻R1的电流。
(2)电压力锅处于保压状态时的功率P2 。
(3)用电高峰期,电路的实际电压为210V,电压力锅做好同样一次饭,处于加热过程实际需要的时间。(不考虑能量损失)
[来源:学.科.网]

更多2015年中考试题及答案查询请点击:http://www.zspx.cn/news-id-8538.html (全国各地2015中考试题及答案下载汇总)

