2015年湖北省咸宁市中考物理试题(word版,含答案)
2015年湖北省咸宁市中考物理试题(word版,含答案)
湖北省咸宁市2015年初中毕业生学业考试
物 理 试 卷
注意:1、全卷25小题,满分80分;考试时间80分钟。 [来源:学#科#网]
2、本试卷用到的g值一律取10N/kg。
一、选择题(本大
题共10小题,每小题2分,共20分,每小题只有一个选项符合题意,请在答题卷中将符合题意的代号涂黑)
1.电流的热效应在科研、生产、生活中被广泛应用。如图所示是我们常见的家用电器,其中主要利用电流的热效应工作的是
2.下列成语中,属于描述光的折射现象的是
A.坐井观天 B.形影相依 C.海市蜃楼 D.波光粼粼
3.下列生活现象与物理知识对应不正确的是
A.骑自行车下坡,不蹬脚蹬子,车速却越来越快——重力势能转化为动能
B.航母上飞机起降引导员带耳罩——防止噪声的危害
C.在火车站站台上候车的旅客请站在安全线以外——流体压强与流速的关系
D.汽车转弯时,请抓好扶手——防止惯性力的作用带来的危害
4.《舌尖上的中国》聚焦普通人家的家常菜,让海内外观众领略了中华饮食之美,如图所示是一盘我们冬天特别爱吃的莴笋炒腊肉。对烹制过程中所含的物理知识,认识正确的是
A.冬天腌制腊肉需要较长的时间:说明分子在低温下没有做无规则的运动
B.炒锅一般用铁制造:主要是利用了铁的比热容较大这一特性
C.放入锅中爆炒:主要通过做功的方式使莴笋和腊肉的内能增加
D.上桌时散发出浓浓的香味:由于温度越高,分子热运动越剧烈
5.下列关于磁现象说法中正确的是
A.磁感线越密集的地方磁场越弱
B.发电机是利用电磁感应原理工作的
C.地磁场的N极在地球的北极附近
D.电磁铁磁性的强弱不能通过调节电流的大小来控制
6.“花开花谢花满天”——花儿那烂漫的姿态、绚丽的色彩点缀了我们的世界。下
列关于花的说法中错误的是
A.看到花朵五颜六色,是因为不同的花反射的色光不同
B.花凋谢时,零落的花瓣飘向地面,是因为花瓣受到重力的作用
C.能闻到花香,是因为花的芳香油分子做无规则运动扩散到了空气中
D.花瓣落入水中漂浮在水面上,是因为花瓣受到的浮力大于花瓣的重力
7.下图所示四个实例中,与“雾凇”形成的物态变化相同的是
二、填空题(本大题共6小题,每空1分,共15分。)
11.中国传统文化博大精深,文化遗产十分丰富。如图所示的是湖北崇阳出图的商代铜鼓,是研究我国古代青铜艺术和奴隶社会礼乐制度珍贵的实物。该铜鼓
质量为42.5kg,受到的重力为 N,轻敲鼓面,它能发出清脆的声音,这是因为鼓面仍能发生 。
12.如图是滑雪运动员在雪地滑行的情景。滑板和雪地摩擦生热,是通过 的方式改变物体内能;滑雪板做的又宽又长是通过增大受力面积的方法来 压强(选填“减小”或“增大”)。
13.如图所示,2015年5月9日,中国人民解放军三军仪仗队参加俄罗斯纪念卫国战争胜利70周年红场阅兵,伴随着前苏联经典歌曲《喀秋莎》的主旋律走过莫斯科红场,吸引了全球目光。音乐的主旋律是通过 传播到每位士兵的耳中的,看上去队伍整齐划一,是因为光的 传播原因,由于光的 (选填“镜面反射”或“漫反射”),周边观看阅兵的群众能看到高高飘扬的五星红旗。
14.天气炎热时多喝水有益于身体健康。如图甲是某同学买瓶装矿泉水时的情景。
(1)当该同学用手握住瓶子使瓶身竖直在空中静止不动时,手与瓶子的摩擦力和瓶子受到的 是一对平衡力,此力的方向 。
(2)如图乙所示,瓶盖上有一道道条纹,其目的是在用手拧开瓶盖时能 (选填“增大”或“减小”)摩擦。
(3)他在空矿泉水瓶中装入少量热水,轻晃后迅速倒出,再马上盖紧瓶盖。一会儿后看到矿泉水瓶瘪了,如图丙所示,这是瓶子受到了 的作用产生的效果。

15.物体在月球表面附近受到的重力仅为在地球表面附近所受重力的1/6。如图为“玉兔号”月球车,它的质量为140kg,若它在月球表面上方竖直下落6m,则重力对它做的功为 J。它科学探测得到的图象和数据是通过 (选填“声波”或“电磁波”)传递到地球的。
16.在如图所示的电路中,两只电流表规格相同,都有两个量程(0~0.6A以及0~3A),且R1=R2。闭合开关S,电阻R1、R2及R3均有电流通过,两只电流表的指针偏转角度相同,则通过电流表A1的电流是通过电流表A2电流的 倍,R1:R2:R3= 。
三、作图题(本大题共3小题,每小题2分,共6分。)
17.如图中活塞式抽水机的柄是一根弯曲的杠杆,请画出动力F的力臂L。
18.如图所示,一木块正沿着着固定在地面上的光滑斜面下滑,请作出木块受到的重力G
和支持力F的示意图。
19.根据图中通电螺旋管所标注的S极,请标出图中给定磁感线的方向和小磁针的N极,
并在括号内标出电源的正、负极。
四、实验与探究题(本大题共3小题,每小题6分,共18分。)
20.(6分)在利用光具座进行凸透镜成像的实验探究中:
(1)如图甲所示,一束平行于凸透镜主光轴的光线经过凸透镜后,在光屏上形成了一个最小、最亮的光斑。由图可知,凸透镜对光线具有 作用,该凸透镜的焦距是 cm。
(2)调整后,把蜡烛固定在15cm刻度线位置时(如图乙),光屏应在 (选填“Ⅰ”、“Ⅱ”或“Ⅲ”)区域内左右移动,会在光屏上得到一个清晰的倒立、 的实像(填写像的性质); (选填“投影仪”“放大镜”或“照相机”)就是利用这一成像规律工作的。如果将蜡烛在乙图的基础上远离透镜,仍要在光屏上得到清晰的像,光屏应向 (选填“靠近”或“远离”)透镜的方
向移动。
[来源:学科网]
21.(6分)小芳的爸爸在外出差给她带回来一件小金属挂饰(实心),小芳想知道金属挂饰的材质,于是在学校实验室借了一些器材来测出它的密度。
(1)她将天平放在水平桌面上,把游码轻轻地拨至标尺
零位,稳定时发现分度标牌如图甲所示。要使横梁水平平衡,应将右侧的平衡螺母往 (选填“右”或“左”)调。
(2)将挂饰放在已调
好的天平上测出其质量为21.6g
。
(3)当她想测量挂饰的体积时发现忘了借
量筒,在她沮丧之时突然想到利用浮力的知识可以帮自己解决问题。她的测量过程如下:
①往烧杯中倒入适量的水,用调节好的天平测出烧杯和水的总质量为150g;
②用细绳将挂饰栓好并浸没在水中(如图乙所示,挂饰不接触杯底,无水浸出),在右盘中加减砝码并移动游码,当天平平衡后,右盘中砝码和游码的位置如图乙所示,此时天平的读数为 g,则挂饰的体积为 cm3。(已知ρ水=1.0×103kg/m3)
(4)小芳计算出金属挂饰的密度为 g/cm3;通过
查密度表对照可知该金属挂饰可能是 饰品。
|
物质 |
金 |
银 |
铜 |
铁 |
铝 |
|
密度kg/m3 |
19.3×103 |
10.5×103 |
8.9×103 |
7.9×103 |
2.7×103 |
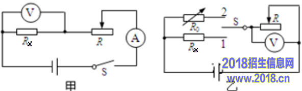
22.(6分)在测量未知电阻Rx(阻值约为150Ω
)的实验中,提供的实验器材有:电源(电压3V)、滑动变阻器R(0~50Ω)、电阻箱R0(0~9999Ω)、电流表(0~0.6A)、电压表(0~3V)、开关及导线若干。
(1)小华同学设计了如图甲所示的电路,根据实验器材数据可粗略估算通过电流表的电流大小,则最大电流是 A,最小电流是 A,你认为小华 (选填“能”或“不能”)准确测出Rx阻值。
(2)小明同学设计了如图乙所示的电路进行测量,正确连接电路后,小明先将开关S拨至 ,调节变阻器的滑片至某一位置,记下此时电压表的示数U1;再将开关S拨至另一位置,调节 ,使电压表的示数恰好为U1,记下电阻箱的示数为R′,则未知电阻Rx的测量值为 。[来源:学科网ZXXK]
五、综合应用题(本大题共3小题,共21分)
23.(6分)太阳能清洁无污染,是人类能源的宝库。某太阳能汽车总质量为400kg,顶部安装了太阳能电池板,如图所示。太阳光照射到地面时单位面积上的辐射功率为1.2×103W/m2,汽车上的太阳能电池板的有效面积为5m2。
(1)太阳能电池板能将太阳能转化为电能。若该太阳能电
池板的转换效率为40%,则转换给汽车电动机的电功率是多少瓦?
(2)这辆汽车在某水平路面上匀速行驶时,受到的阻力为车重的0.02倍,则汽车受到的牵引力为多少牛顿?
(3)如果这辆汽车的电动机将电能最终转化为机械能的效率为80%,则汽车在该水平面上匀速行驶的速度为多少米每秒?
24.(7分)用如图甲所示的滑轮组提升物体M,已知被提升的物体M重为760N,卷扬机加在绳子自由端的拉力F将物体M以0.5m/s的速度匀速提升到10m的高度。拉力做的功W随时间t的变化图象如图乙所示,不计钢丝绳的重、摩擦力大小。求:
(1)滑轮组提升重物所做的有用功是多少?
(2)滑轮组提升重物的机械效率是多少?
(3)动滑轮的重力是多少?
来源:学科网]
25.(8分)一个圆柱形容器放在水平桌面上,如图甲所示,容器中立放着一个均匀实心圆柱体M。现慢慢向容器中加水,加入的水对容器底的压强p水与所加水的质量m的关系如图丙所示,在整个过程中无水溢出,M的底面始终与容器中的水面平行。当加入的水等于3kg时,物体M刚好漂浮且露出水面的高度为4cm,如图乙所示(已知ρ水=1.0×10kg/m3)。求:
(1)圆柱体M刚好漂浮时容器中水的深度h;
(2)圆柱体M的密度ρ;
(3)圆柱形容器的内底面积S。
2015年咸宁市中考物理试题参考答案
一 选择题
|
题目 |
1 |
2 |
3 |
4 |
5 |
6 |
7 |
8 |
9 |
10 |
|
答案 |
B |
C |
D |
D |
B |
D |
B |
A |
A |
A |
二、填空题
11.425 振动
12.做功 减小
13.空气 直线 漫反射
14.(1)重力 竖直向下 (2)增大 (3)大气压强
15.1400 电磁波
16.5 1:1:2
三、作图题
17. 18. 19.
四、实验与探究题
20.(1)会聚 15(对估读不作要求)
(2)Ⅱ 缩小 照相机 靠近
21.(1)左端 右
(2)152.4 2.4
(3)9 铜
22.(1)0.02 0.015 不能
(2)电阻箱R0的电阻 R′
五、综合应用题
23.解:(1)已知太阳能电池板的转换效率为40%,
则转换给汽车的电功率为:P=P0Sη=1.2×103W/m2×5m2×40%=2.4×103W
(2)车的重力为G=mg=400kg×10N/kg=4000N
∵这辆汽车在某水平面上匀速行驶,则牵引力等于阻力,
∴牵引力F=f=0.02G=0.02×4000N=80N
更多2015年中考试题及答案查询请点击:http://www.zspx.cn/news-id-8538.html (全国各地2015中考试题及答案下载汇总)

