2015年山东省济宁市中考物理试题(word版,含答案)
2015年山东省济宁市中考物理试题(word版,含答案)
绝密☆启用并使用完毕前 试卷类型A?
济宁市二O一五年高中段学校招生考试?
物 理 试 题?
注意事项:
1.本试卷满分60分,分第Ⅰ卷和第Ⅱ卷两部分,共6页。考试用时60分钟。共60分。?
2.答题前,考生务必先核对条形码上的本人信息,然后用0.5mm黑色墨水签字笔填写在答题卡相应位置。考试结束后,将本试卷和答题卡一并交回。?
3.答第Ⅰ卷时,必须使用2B铅笔把答题卡上对应题目的答案选项涂黑。如需改动,必须先用橡皮擦干净,再改涂其
它答案。?
4.答第Ⅱ卷时,必须使用0.5mm黑色墨水签字笔在答题卡上书写。务必在题号所指示的答题区域内作答。答作图题时,要先用铅笔试画,无误后用0.5mm签字笔描黑。?
5. g取10N/kg?
?
第I卷 (选择题 共20分) ?
一、选择题 (下列各题的四个选项中,只有一项符合题意。每小题2分,共
20分)
1.下列关于信息和能源的说法中,正确的是?(C)
A.频率越高的电磁波在空中传播得越快?
B.卫星只能作为传送电视信号的中继站?
D.石油、天然气和铀矿属于可再生能源?
2. 小夏用图1中的凸透镜探究成像规律,在图2的四个实验情景中,能够在光屏上得到清晰像的是 A
3. 小夏推箱子经历了图3所示的过程,最终箱子被推出去后又向前滑行了一段距离。对上述过程中涉及到的物理知识,分析正确的是?D
A.图甲:因为箱子没动,所以小夏没有对箱子施加力的作用?
B.图乙:因为箱子受到的摩擦力大于推力,所以小夏没推动箱子?
D.图丙:小夏对箱子做的功小于推力与箱子移动距离的乘积
4. 如图4所示的各图中,不正确的是 B
5. 生活处处有物理。以下是小夏对几处生活情景的分析,正确的是?C
A.投入水中的石块没有漂浮在水面上,说明下沉的物体并不受浮力?
B.人远离平
面镜常常感到像变小,说明平面镜成像大小与物距有关?[来源:~中%&国教育^出*版网]
C.冬天用热水袋暖手,手感到温暖,说明热传递可以改变物体内能?
D.教室内的一个开关可以同时控制八盏灯,说明这八盏灯是串联的
6. 人类对原子结构的认识经历了一个相当长的时期。以下
是科学家及提出的原子结构假设模型(如图5所示),其中符合原子结构模型建立先后顺序的是?D
①汤姆孙:枣糕模型?????②卢瑟福:核式模型??? ③道尔顿:实心模型
A. ①→②→③ B. ③→②→① C. ①→③→② D. ③→①→②
7. 如图6所示是小夏在学习中的一些总结,其中有科学性错误的是 B
8. 随着科技的进步和生活水平的日益提高,人们主动利用科技知识改善生活环境的意识逐渐增强。图7所示的四幅图片场景,是人们应用物理知识改善生活环境的几种做法,其中主要是用来降温的是?A
A.景区喷雾 B.人造雪景 C.撒盐融雪 D.人工降雨?
9. 将2个分别装有空气和红棕色二氧化氮气体(ρ二氧化氮>ρ空气?)的玻璃瓶口对口对接,中间用玻璃板隔开。抽开隔板后,通过观察瓶内颜色变化推断气体分子是否作无规则运动
。对于玻璃瓶的三种放置方法(如图8所示),四位同学判断正确的是?B
A.小华认为甲图放置最不合理
B.小夏认为乙图放置最不合理?
C.小梦认为丙图放置最不合理
D.小满认为三种放置方法都不合理
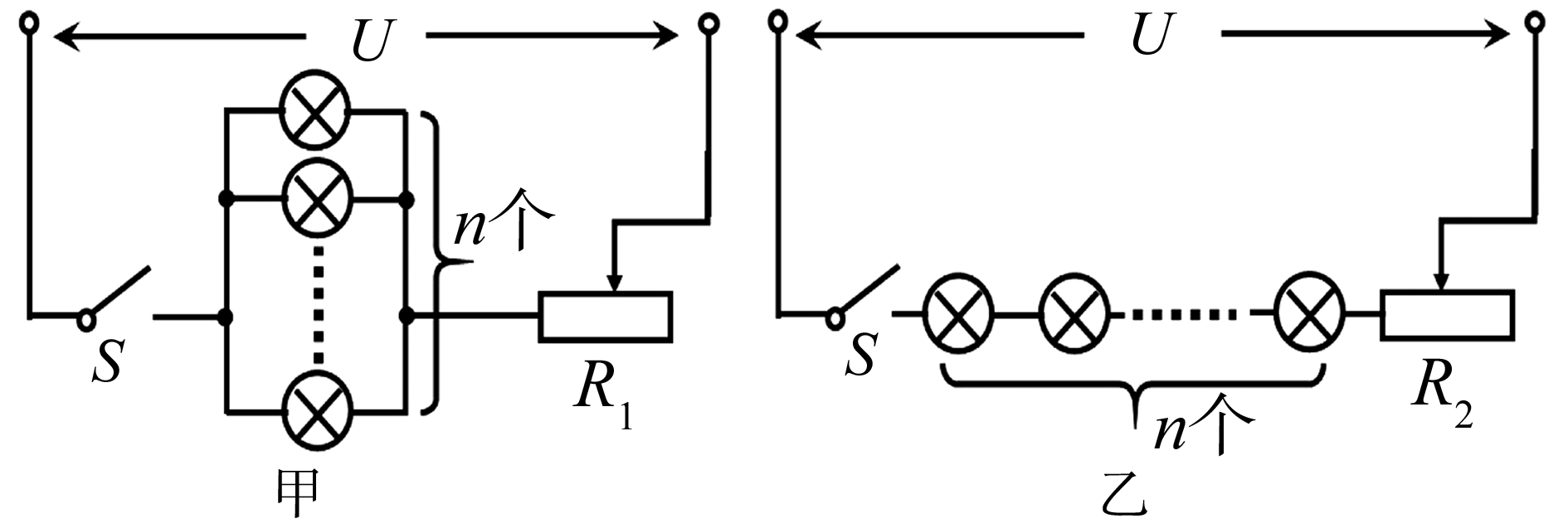
10. 小夏将n个“3V 0.3W”的小灯泡,按照甲、乙两种连接方式分别接入电压为U的电路中(如图9所示),通过分别调节滑动变阻器R1和R2,使所有灯泡均正常发光。则甲、乙两电路中的总电流与总功率的关系正确的是?C
A.I甲=I乙 B.I甲=
I乙 C.P甲=nP乙 D.P甲=n2P乙
第Ⅱ卷(非选择题 共40分)?
[来源:zz@s&te~p.c%o#m]
二、填空题(每空1分,共12分)
11.小夏在研究口琴的发声原理时, 拆掉了口琴外壳, 发现在气孔边分布着长短、厚薄都不同的一排铜片(如图10所示)。吹口琴时,在气流的冲击下,铜片振动,发出声音。对不同气孔吹气,改变了声音的 音调 ;在同一气孔处用不同的力度吹气,改变了声音的 响度 。
12.微山湖”号综合补给舰通过两根软管给“海口”号导弹驱逐舰补给燃油、淡水时,两舰保持同向同速航行。在补给过程中,“微山湖”舰所受浮力 增加 ,如果以“海口”舰为参照物,“微山湖”舰是 静止 的。
13.小夏用柱形图表示出了一些物质的密度(如图11所示),依据图中信息,你有哪些发现??写出其中的两条:(1) 每种物质都有自己的密度 ;(2) 不同的物质密度一般不同 。?
14.护士给病人输液时,药水瓶上插着两根管,一根给病人输液,另一根通过瓶盖扎进瓶内药水中,如图12所示。这根“闲置”管是为了利用 大气压 。由于针头较细,为确保药液的流速,需要将药水袋提升到相对针管一般不低于1.3m的高度,
由此推算针管处受到的液体压强为 1.3×104 Pa。(ρ药液=ρ水)?
15.小夏在探究“物质的放热能力与哪些因素有关”时,分别用质量相等的水和另一种液体进行了实验,并用图象对实验数据进行了处理,如图13所示。实验中,水和另种液体在相同时间内放出的热量相等。分析图象可以得出:
甲 物质为水,另一种液体的比热容为
2.1×103 J/(kg·℃)。
16.某导体电阻为10Ω,通电5min产生的热量是1200J,当通过该导体的电流增大为原来的2倍时,在相等时间内产生的热量是 4800 J。
三、实验与作图题(17题5分,18题3分,19题5分,20题5分,共18分)[来源:学*科*网Z*X*X*K]
17.根据题目要求,完成下列作图。?
(1)一束光射向玻璃砖,经过两次折射后恰好经过A、B两点。请在图14中画出这束光的大致传播路径。??
答案:

(2)小夏用天平测量物体A的质量(如图15所示),请在图中画出物体A对天平托盘的压力F,要求包含力的三要素。[中&国教育出版@*~%网]
18.如图16所示是“探究导体在磁场中运动时产生感应电流的条件”的实验装置。闭合开关后,导体棒、灵敏电流计、开关、导线组成闭合电路。?
(1)要使灵敏电流计的指针发生偏转,可行的操作是 使导体棒左右运动 。?[来源:zzst@e%p.#co*&m]
(2)要使灵敏电流计的指针偏转方向发生改变,可以
采取两种方法。?
方法一: 改变导体棒的运动方向 ;?
方法二: 改变磁场的方向 ?[www.zz&^st#ep.co*m~]
19.[小夏对正在做匀速直线运动的物体又施加一个与运动方向相同的力,发现物体运动得更快了。小夏对这个现象进行了实验探究,并将实验数据记录在下表中。?
|
实验次数 |
质量kg |
推力N |
起始速度/m·s-1 |
5秒后速度/m·s-1 |
10秒后速度/m·s-1 |
15秒后速度/m·s-1 |
|
1 |
1 |
1 |
2 |
7 |
12 |
17 |
|
2 |
1 |
2 |
2 |
12 |
22 |
32 |
|
3 |
1 |
3 |
2 |
17 |
32 |
47 |
|
4 |
2 |
2 |
2 |
7 |
12 |
17 |
|
5 |
3 |
3 |
2 |
7 |
12 |
17 |
物体运动速度变化的快慢与物体质量和受到的力有什么关系?请你分析实验数据得出结论。?(1)比较第1、2、
3次数据,可得出结论: 在质量一定时,推力越大速度增加的越快 ;?(2)比较2、4或
3、5次数据,可得出结论: 在推力一定时,质量越大的,速度增加的越慢 [来&源%:zz^ste~p.c@om]
20.在学习电学时,小夏利用如图17所示的电路图,做了不少实验,其中电阻R可选用阻值分别为10Ω、20Ω、30Ω的定值电阻。?
|
电阻R/Ω |
10 |
20 |
30 |
|
电流I/A |
0.3 |
0.2 |
(1)在做“探究电流与电阻的关系”的实验时,小夏先把10Ω的电阻连入电路,闭合开关,把电流表的读数填在表格中,然后把10Ω电阻分别换成20Ω、30Ω电阻,将相应的电流值记录到表格中。
?小夏的错误做法是 没有控制定值电阻两端电压不变 ?[来%@源&:^中~教网]
(2)在做“伏安法”测电阻的实验时,小夏根据电路图连接的电路如图18所示,图中尚有一根导线未连接,请用笔画线代替导线完成电路连接,要求滑动变阻器连入电路中的阻值最大。实验中小夏测得的结果如下表。由此可以判断,小夏同学选用的定值电阻的阻值为
? 9.89 Ω?。?
|
实验序号 |
电压表示数/V |
电流表示数/A |
|
1 |
1.5 |
0.16 |
|
2 |
2.5 |
0.25 |
|
3 |
3.5 |
0.34 |
(3)在做“测量小灯泡额定功率”的实验时,小夏用额定电压为“3V”的小灯泡代替电路图中的电阻R,连接好电路后,闭合开关,移动滑动变阻器的滑片,使小灯泡正常发光,此时电流表的示数如图19所示,则电流表的读数是 0.24 A,小灯泡的额定功率为 0.72 W。??[来源:zz@s~&tep#.co^m]
四、计算题(21题4分,22题6分,共10分)
21.物体重600N,放在水平地面上,与地面的接触面积是500cm2(如图20甲所示)。?
(1)物体放在水平地面上时,对地面的压强是多少??
(2)某工人用400N的力在10s内将物体匀速提高了5m(如图20乙所示),拉力的功率是多少?滑轮组的机械效率是多少?
21.解答:(1)
(2)拉力做功为W=FS=400N×10m=4000J,拉力的功率为:
。人做有用功为W=Gh=600N×5m=3000J,滑轮组的机械效率为
。[来源&:中*~#^教网]
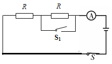
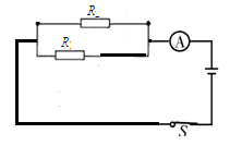
22.如图21所示,虚线框内有两个阻值相同的定值电阻和一个开关S1.当开关S1闭合时,电流表的示数增加0.2A,电路的总功率增加1.6W.请画出两种可能的连接电路图,并分别计算电源电压和定值电阻的阻值.?
第一种如图:
解:当开关S闭合、S1断开,等效电路图如图1所示;
当把开关S1闭合,等效电路图如图2所示.
图1 图2
由图1和图2可得:
电源的电压U=I×2R=I′R=(I+0.2A)R,
解得I=0.2A,I′=0.4A;
△P=UI′-UI=U(I+0.2A)-UI=0.2A×U=1.6W
解得U=8V;
答案:20Ω.
第二种如图:
解:当开关S、S1闭合,等效电路图如图1所示;[中~国%&*教育出^版网]
当把开关S1断开时,等效电路图如图2所示[来源:中@教^网*&%]
图1 图2
解得I=0.2A,I′=0.4A;
△P=UI′-UI=U(I+0.2A)-UI=0.2A×U=1.6W
解得U=8V;
答案:40Ω.
更多2015年中考试题及答案查询请点击:http://www.zspx.cn/news-id-8538.html (全国各地2015中考试题及答案下载汇总)



















